Sada pro posuvnou samonosnou bránu do šíře 5,5m - 300kg - C80Zn - Rox600kit
Kód: 5094Související produkty
Detailní popis produktu
Sada byla nahrazena produktem: 5139
Kompletní sada pro výrobu samonosné posuvné brány s průjezdem max. 5,5m a hmotností max. 300kg, vybavená pohonem NICE ROX 600 od předního výrobce kvalitní bránové automatizační techniky.
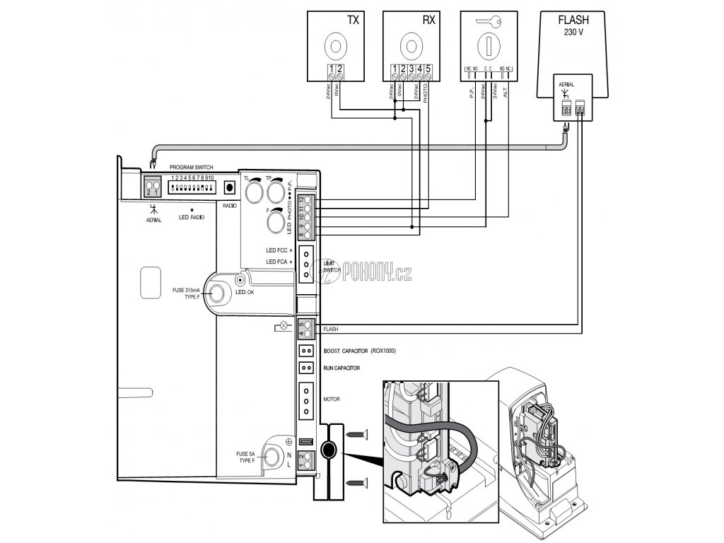
Součástí pohonu je vestavěná řídící jednotka s rádiovým přijímačem, 2ks dálkového ovladače a mechanické koncové spínače. Součástí sady pohonu nejsou bezpečnostní fotobuňky ani výstražná lampa. Toto příslušenství není bezpodmínečně nutné pro funkci pohonu, nicméně doporučujeme jejich přikoupení, aby provoz Vaší brány byl co nejbezpečnější.
Sada obsahuje:
1x sada pohonu Rox600kit se dvěma ovladači
6m nylonového hřebenu s ocelovým jádrem
2x kyvný zinkovaný vozík 80mm
1x dojezdové kolo na bránu
1x dojezdová kapsa
1x plastová záslepka C profilu
2x horní vodící rolna
6m nosného C profilu Zn 80x80mm, tl. 5 mm
3m nosného C profilu Zn 80x80mm, tl. 5 mm
I-pohony.cz - doporučuje přikoupit:
1x výstražný maják ELAC
1x fotobuňky BF
Funkce řídící jednotky:
- 1x bezpečnostní vstup FOTO
- 1x bezpečnostní vstup STOP
- automatické zavírání (nastavitelný čas)
- zavírání po FOTO
- předblikávání
- zpomalení
- nastavení citlivost ampérmetru
- funkce stop ampér se postará, aby pohon zastavil, pokud je zatížen víc než při běžném provozu a tím zajistí bezpečný chod brány.
Chcete vědět více o správném výběru pohonu, přečtěte si: Správný výběr pohonu pro posuvnou bránu.
K jednotce lze připojit, mimo jiné, wifi modul IT4WIFI pro ovládání brány pomocí chytrého telefonu s operačním systémem IOS i Android. Můžete ovládat Vaše zařízení třeba z druhé strany zeměkoule. Stačí si stáhnout aplikaci do mobilu.

Ukázka pohonu na posuvné bráně
Představení pohonu s novou verzí řídící jednotky ROA40r10, práce s přijímačem a ovladači, reset jednotky
Základní představení pohonu
Vymazání paměti přijímače
Doplňkové parametry
| Kategorie: | C 80x80mm Zn - 5,5m/300kg |
|---|---|
| Fotografie: | https://orbitvu.co/share/Y8v72XwLER2T2ayy8iXZN6/4152773/360/view |
| ? Napájecí napětí: | 230 V |
| ? Napětí motorku: | 230 V |
| ? Příkon max.: | 300 W |
| ? Síla: | 500 N |
| ? Maximální zatížení: | 600 kg |
| ? Doporučená hmotnost brány: | 400 - 450 Kg |
| ? Maximální délka křídla: | 8 m |
| ? Rychlost: | 0,18 m/s |
| ? Stupeň ochrany: | IP 44 |
| ? Pracovní teplota: | -20°C ... +50°C |
| ? Rozměry: | 330x210x303mm |
| ? Hmotnost: | 11 kg |
| Položka byla vyprodána… | |
Samonosná brána s pohonem NICE ROBO500
Buďte první, kdo napíše příspěvek k této položce.
