Robus 1000

Nenašli jste díl který potřebujete?
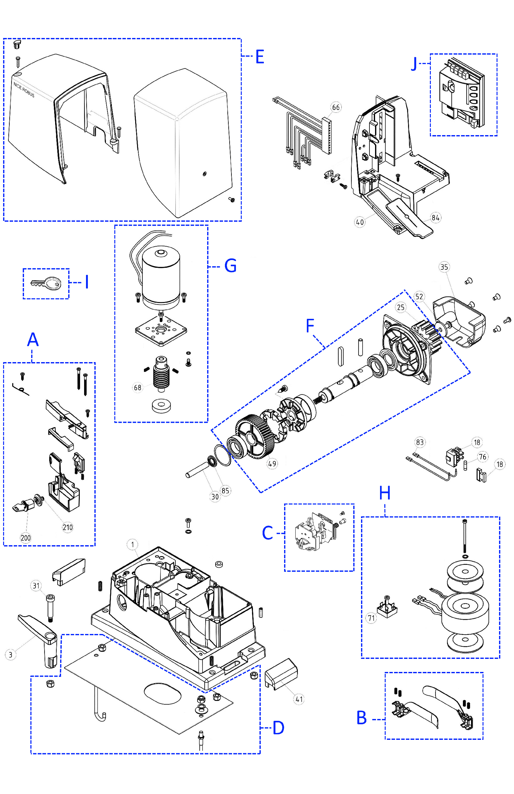
Pokud Vámi hledaný díl nenaleznete, napište nám číslo pozice z rozkresu níže na servis@i-pohony.cz. My se náhradní díl pokusíme u výrobce dohledat ručně a případně Vám ho rádi nabídneme.
Řazení produktů
20 položek celkem
Značky
Položek k zobrazení: 20
Výpis produktů

